Cookies幫助我們提供我們的服務。如果要使用我們的服務,您需同意我們使用cookie。
<span style="font-size: 12pt;">★規格標準化、價格實惠、供貨迅速</span> <br /><span style="font-size: 12pt;">★高精度、多種導程可選擇</span> <br /><span style="font-size: 12pt;">★螺帽安裝尺寸,可與大廠規格對應互換</span>">
Update:2023.10.23
規格/種類 | 研磨級規格 | |||
軸徑 (mm) | 12 | |||
珠徑 (mm) | 2.3812 | |||
導程 (mm) | 4 | |||
B.C.D (mm) | 12.3 | |||
螺紋旋向 | 右 | |||
循環圈數 | 2.5圈 x 1列 | |||
精度 | C3X | C3V | C5X | C5V |
軸向間隙 | 0 | -0.002 | 0 | -0.002 |
動態負荷Ca(N) | 2350 | 3750 | ||
靜態負荷Coa(N) | 3200 | 6350 |
研磨級:
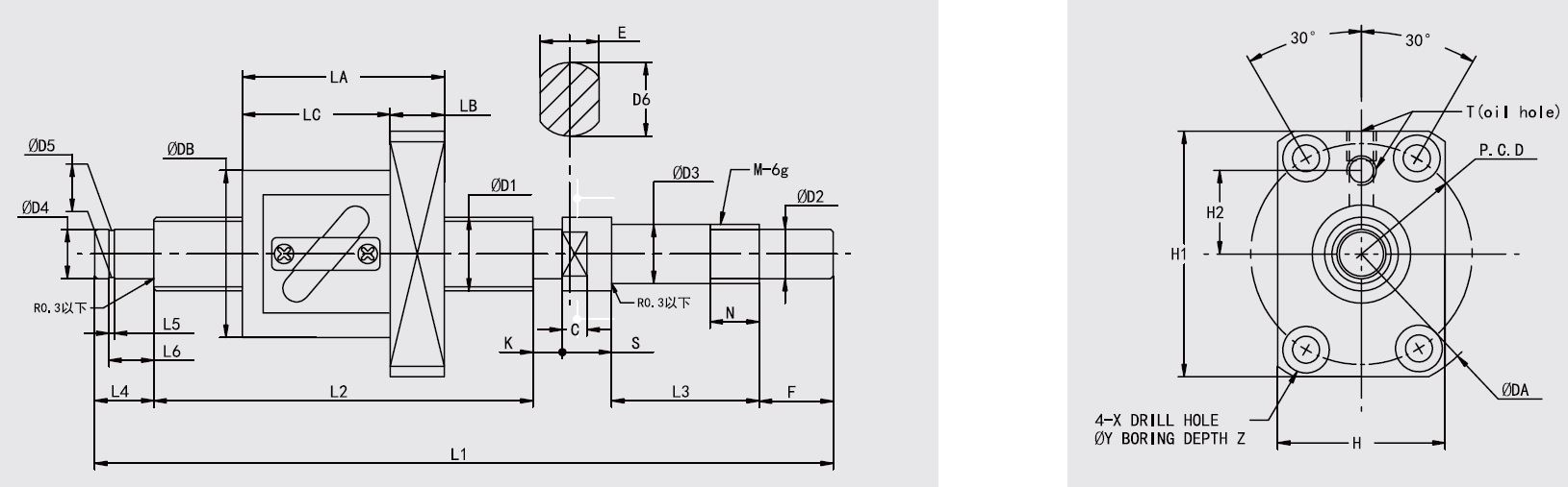
BSM1204B1-GC□□-S | ||||||||
螺桿規格 | 螺帽規格 | |||||||
精度 | C3 | C3 | C3 | C5 | C5 | C5 | 螺帽規格 LA | 36 |
有效行程 | 50 | 150 | 250 | 50 | 150 | 250 | 螺帽規格 LB | 10 |
螺桿規格 L1 | 180 | 280 | 380 | 180 | 280 | 380 | 螺帽規格 LC | 26 |
螺桿規格 L2 | 110 | 210 | 310 | 110 | 210 | 310 | 螺帽規格 DA | 50 |
螺桿規格 L3 | 30 | 30 | 30 | 30 | 30 | 30 | 螺帽規格 DB | 30 |
螺桿規格 L4 | 10 | 10 | 10 | 10 | 10 | 10 | 螺帽規格 H | 32 |
螺桿規格 L5 | 0.9 | 0.9 | 0.9 | 0.9 | 0.9 | 0.9 | 螺帽規格 H1 | 45 |
螺桿規格 L6 | 7.9 | 7.9 | 7.9 | 7.9 | 7.9 | 7.9 | 螺帽規格 H2 | 15 |
螺桿規格 F | 15 | 15 | 15 | 15 | 15 | 15 | 螺帽規格 PCD | 40 |
螺桿規格 D1 | 12 | 12 | 12 | 12 | 12 | 12 | 螺帽規格 X | 4.5 |
螺桿規格 D2 | 8 | 8 | 8 | 8 | 8 | 8 | 螺帽規格 Y | 8 |
螺桿規格 D3 | 10 | 10 | 10 | 10 | 10 | 10 | 螺帽規格 Z | 4.4 |
螺桿規格 D4 | 8 | 8 | 8 | 8 | 8 | 8 | 螺帽規格 T | M6x1.0 |
螺桿規格 D5 | 7.6 | 7.6 | 7.6 | 7.6 | 7.6 | 7.6 | ||
螺桿規格 D6 | 14 | 14 | 14 | 14 | 14 | 14 | ||
螺桿規格 E | 12 | 12 | 12 | 12 | 12 | 12 | ||
螺桿規格 S | 10 | 10 | 10 | 10 | 10 | 10 | ||
螺桿規格 C | 5 | 5 | 5 | 5 | 5 | 5 | ||
螺桿規格 K | 5 | 5 | 5 | 5 | 5 | 5 | ||
螺桿規格 N | 10 | 10 | 10 | 10 | 10 | 10 | ||
螺桿規格 M | M10x1.0 | M10x1.0 | M10x1.0 | M10x1.0 | M10x1.0 | M10x1.0 |